UNF #0-80X1/2 ステンボタンキャップ
367円
Overview
- Available Quantity: 55
- Condition: new
- Product ID: nejiya-jp_54200040
UNF #0-80X1/2 ステンボタンキャップ
UNF #0-80X1/2 ステンボタンキャップ
UNF(アメリカ規格 細目ピッチ)/ステンレス製(SUS304系)
納期…国内商社在庫品。納期は通常御注文後確定(*)後1-4営業日で出荷です。
*発注単位に関する注意*
当コーナーでは販売単位として「10本入りパック」等の表記をしておりますが「パック」とは、あくまでも発注数量の括りであり、各数量でパッケージされた商品が出荷されるわけではありません。
例)10本入りパック X 3 で御注文の場合は10X3=30 より30本がワンパッケージになります。
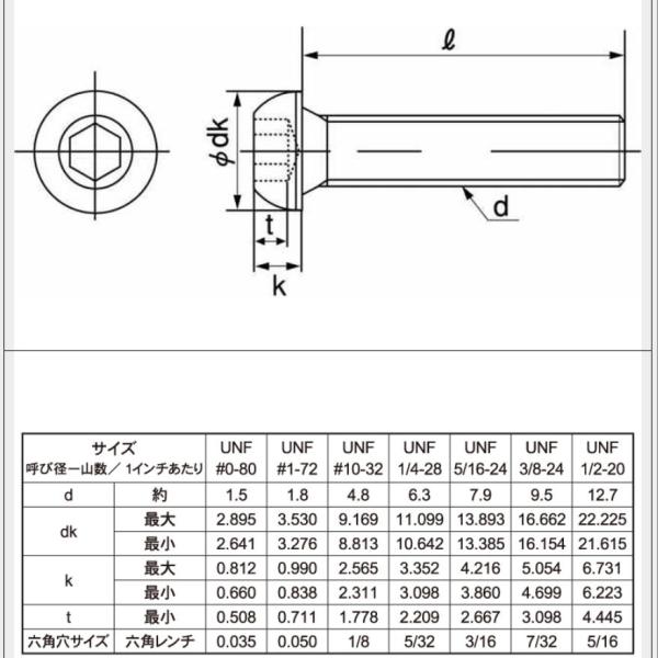
○太さの目安→こちらをご参照下さい
○長さ( X○○)の目安
ボタンキャップのL寸表記は頭を除いた首下表記です。
1/8→3.18(25.4X1/8)
1/4→6.35(25.4X1/4)
3/8→9.525(25.4X3/8)
1/2→12.7(25.4X1/2)
5/8→15.875(25.4X5/8)
3/4→19.05(25.4X3/4)
7/8→22.225(25.4X7/8)
1"→25.4(25.4X1)
1"1/4→31.75(25.4X1"1/4)
以降、1インチあたり25.4mmに"の後の長さをたして下さい。
